Clutch Seized Up . How to fix a sticking clutch in your. There are numerous reasons why a clutch may start slipping, ranging from mechanical wear and tear to improper driving habits. Binding in linkage or cable due to corrosion; Learn more about the common clutch problems and how to fix them. There are several ways that the clutch in your car can go wrong, but once you understand the parts, and how they interact, finding and fixing the. The sudden onset of a slipping clutch usually indicates that an oil leak, or something else has contaminated the friction surfaces. This video is about the operation of a clutch and how one can fix a stuck clutch Clutch does not engage at all. Clutch master cylinder and clutch slave cylinder replacement. Is your car's clutch pedal sticking, clutch slipping, or do you have a squeaky clutch?
from www.clutchsolutions.net
There are several ways that the clutch in your car can go wrong, but once you understand the parts, and how they interact, finding and fixing the. Is your car's clutch pedal sticking, clutch slipping, or do you have a squeaky clutch? Learn more about the common clutch problems and how to fix them. This video is about the operation of a clutch and how one can fix a stuck clutch The sudden onset of a slipping clutch usually indicates that an oil leak, or something else has contaminated the friction surfaces. Clutch master cylinder and clutch slave cylinder replacement. How to fix a sticking clutch in your. Binding in linkage or cable due to corrosion; Clutch does not engage at all. There are numerous reasons why a clutch may start slipping, ranging from mechanical wear and tear to improper driving habits.
Clutch
Clutch Seized Up How to fix a sticking clutch in your. Learn more about the common clutch problems and how to fix them. This video is about the operation of a clutch and how one can fix a stuck clutch Clutch master cylinder and clutch slave cylinder replacement. There are several ways that the clutch in your car can go wrong, but once you understand the parts, and how they interact, finding and fixing the. Is your car's clutch pedal sticking, clutch slipping, or do you have a squeaky clutch? How to fix a sticking clutch in your. Clutch does not engage at all. There are numerous reasons why a clutch may start slipping, ranging from mechanical wear and tear to improper driving habits. The sudden onset of a slipping clutch usually indicates that an oil leak, or something else has contaminated the friction surfaces. Binding in linkage or cable due to corrosion;
From www.youtube.com
how to remove easily ( stuck ac compressor clutch ) denso brand YouTube Clutch Seized Up Clutch does not engage at all. How to fix a sticking clutch in your. Clutch master cylinder and clutch slave cylinder replacement. Binding in linkage or cable due to corrosion; Learn more about the common clutch problems and how to fix them. There are numerous reasons why a clutch may start slipping, ranging from mechanical wear and tear to improper. Clutch Seized Up.
From www.flickr.com
Closeup of PTO Shaft, with Slip Clutch This tractor doesn'… Flickr Clutch Seized Up The sudden onset of a slipping clutch usually indicates that an oil leak, or something else has contaminated the friction surfaces. Clutch master cylinder and clutch slave cylinder replacement. Is your car's clutch pedal sticking, clutch slipping, or do you have a squeaky clutch? Learn more about the common clutch problems and how to fix them. There are several ways. Clutch Seized Up.
From lotuselan.net
Clutch standing seized Drive Train / Gearbox / Final Drive by Clutch Seized Up Learn more about the common clutch problems and how to fix them. How to fix a sticking clutch in your. Clutch master cylinder and clutch slave cylinder replacement. The sudden onset of a slipping clutch usually indicates that an oil leak, or something else has contaminated the friction surfaces. There are numerous reasons why a clutch may start slipping, ranging. Clutch Seized Up.
From www.mopedarmy.com
Seized now stuck clutch — Moped Army Clutch Seized Up Clutch does not engage at all. There are numerous reasons why a clutch may start slipping, ranging from mechanical wear and tear to improper driving habits. The sudden onset of a slipping clutch usually indicates that an oil leak, or something else has contaminated the friction surfaces. This video is about the operation of a clutch and how one can. Clutch Seized Up.
From rennlist.com
Clutch Seized? Rennlist Porsche Discussion Forums Clutch Seized Up Clutch master cylinder and clutch slave cylinder replacement. There are numerous reasons why a clutch may start slipping, ranging from mechanical wear and tear to improper driving habits. How to fix a sticking clutch in your. The sudden onset of a slipping clutch usually indicates that an oil leak, or something else has contaminated the friction surfaces. There are several. Clutch Seized Up.
From www.youtube.com
How to remove seized fan clutch YouTube Clutch Seized Up There are several ways that the clutch in your car can go wrong, but once you understand the parts, and how they interact, finding and fixing the. Binding in linkage or cable due to corrosion; Clutch master cylinder and clutch slave cylinder replacement. Clutch does not engage at all. This video is about the operation of a clutch and how. Clutch Seized Up.
From www.viselbi.com
CLUTCH Clutch Seized Up Binding in linkage or cable due to corrosion; The sudden onset of a slipping clutch usually indicates that an oil leak, or something else has contaminated the friction surfaces. Learn more about the common clutch problems and how to fix them. How to fix a sticking clutch in your. Clutch master cylinder and clutch slave cylinder replacement. Is your car's. Clutch Seized Up.
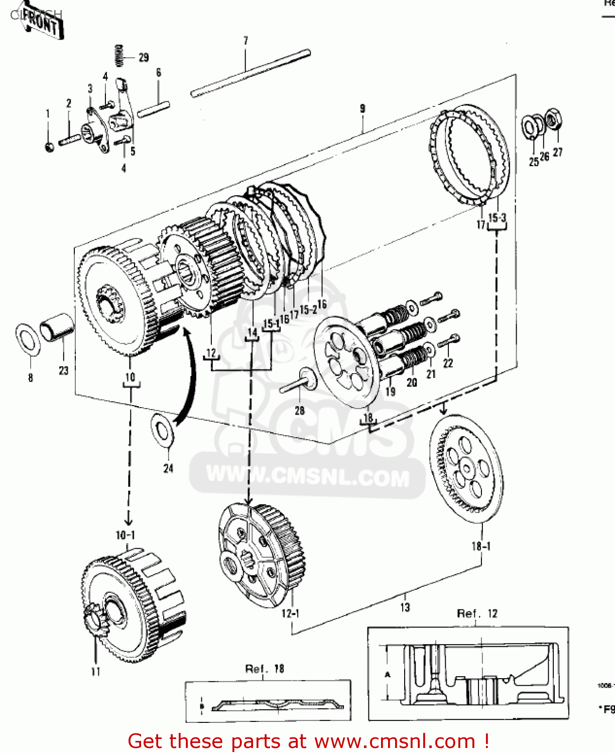
From www.cmsnl.com
CLUTCH ASSY for F5A 1971 USA order at CMSNL Clutch Seized Up Is your car's clutch pedal sticking, clutch slipping, or do you have a squeaky clutch? The sudden onset of a slipping clutch usually indicates that an oil leak, or something else has contaminated the friction surfaces. This video is about the operation of a clutch and how one can fix a stuck clutch There are several ways that the clutch. Clutch Seized Up.
From haynes.com
Clutch Troubleshooting Common Issues and Causes Haynes Publishing Clutch Seized Up Clutch master cylinder and clutch slave cylinder replacement. There are numerous reasons why a clutch may start slipping, ranging from mechanical wear and tear to improper driving habits. Binding in linkage or cable due to corrosion; How to fix a sticking clutch in your. Is your car's clutch pedal sticking, clutch slipping, or do you have a squeaky clutch? This. Clutch Seized Up.
From www.clutchsolutions.net
Clutch Clutch Seized Up Clutch master cylinder and clutch slave cylinder replacement. Binding in linkage or cable due to corrosion; Clutch does not engage at all. There are numerous reasons why a clutch may start slipping, ranging from mechanical wear and tear to improper driving habits. The sudden onset of a slipping clutch usually indicates that an oil leak, or something else has contaminated. Clutch Seized Up.
From xwebforums.com
Seized clutch bearing XWeb Forums v3 Clutch Seized Up How to fix a sticking clutch in your. Clutch does not engage at all. There are several ways that the clutch in your car can go wrong, but once you understand the parts, and how they interact, finding and fixing the. Learn more about the common clutch problems and how to fix them. This video is about the operation of. Clutch Seized Up.
From rennlist.com
Clutch Seized? Rennlist Porsche Discussion Forums Clutch Seized Up How to fix a sticking clutch in your. Is your car's clutch pedal sticking, clutch slipping, or do you have a squeaky clutch? Clutch does not engage at all. Learn more about the common clutch problems and how to fix them. Clutch master cylinder and clutch slave cylinder replacement. There are several ways that the clutch in your car can. Clutch Seized Up.
From www.carlislecbf.com
PTO Clutch Friction Carlisle Brake & Friction Clutch Seized Up Learn more about the common clutch problems and how to fix them. The sudden onset of a slipping clutch usually indicates that an oil leak, or something else has contaminated the friction surfaces. There are numerous reasons why a clutch may start slipping, ranging from mechanical wear and tear to improper driving habits. Binding in linkage or cable due to. Clutch Seized Up.
From pmmonline.co.uk
How to Fit a Clutch on a Ford Focus Professional Motor Mechanic Clutch Seized Up The sudden onset of a slipping clutch usually indicates that an oil leak, or something else has contaminated the friction surfaces. How to fix a sticking clutch in your. Clutch master cylinder and clutch slave cylinder replacement. There are numerous reasons why a clutch may start slipping, ranging from mechanical wear and tear to improper driving habits. Learn more about. Clutch Seized Up.
From www.cmsnl.com
CLUTCH ASSY for XS650 1978 USA order at CMSNL Clutch Seized Up This video is about the operation of a clutch and how one can fix a stuck clutch The sudden onset of a slipping clutch usually indicates that an oil leak, or something else has contaminated the friction surfaces. Learn more about the common clutch problems and how to fix them. Clutch does not engage at all. Is your car's clutch. Clutch Seized Up.
From rennlist.com
Clutch Seized? Rennlist Porsche Discussion Forums Clutch Seized Up There are numerous reasons why a clutch may start slipping, ranging from mechanical wear and tear to improper driving habits. This video is about the operation of a clutch and how one can fix a stuck clutch There are several ways that the clutch in your car can go wrong, but once you understand the parts, and how they interact,. Clutch Seized Up.
From viewfloor.co
How To Troubleshoot A Clutch Pedal Sticking The Floor Viewfloor.co Clutch Seized Up Binding in linkage or cable due to corrosion; This video is about the operation of a clutch and how one can fix a stuck clutch The sudden onset of a slipping clutch usually indicates that an oil leak, or something else has contaminated the friction surfaces. How to fix a sticking clutch in your. There are numerous reasons why a. Clutch Seized Up.
From www.northamericanmotoring.com
R56 clutch pedal seized in up position.. help. North American Motoring Clutch Seized Up Clutch master cylinder and clutch slave cylinder replacement. Learn more about the common clutch problems and how to fix them. How to fix a sticking clutch in your. The sudden onset of a slipping clutch usually indicates that an oil leak, or something else has contaminated the friction surfaces. There are several ways that the clutch in your car can. Clutch Seized Up.